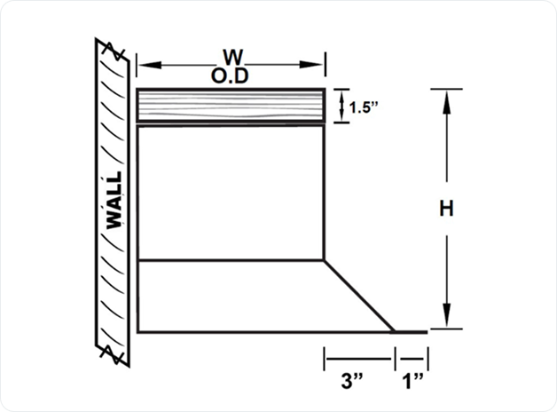
3 Sided Curb – Canted

Item number : 12262

Please submit the item measurements through the submittal form to receive a quote and an estimated shipping date.

Standard Product Features

18 GA. Welded Galvanized Steel Construction

8” & 12” Standard Height (H)

2” X 2” Wood Nailer

Welded Corner Seams

3.5” X 3 LB Density Rigid Insulation

Optional Product Features

Aluminum or Stainless Steel Construction

10-14 GA. Material Construction

Custom Heights (H)

Pitched Roof Styles

Burglar Bars

Damper Shelf

Custom Pipe Portal Caps

Solid or perforated Interior Wall

Special Features

18 GA. Welded Galvanized Steel Construction

8” & 12” Standard Height (H)

2” X 2” Wood Nailer

Welded Corner Seams

3.5” X 3 LB Density Rigid Insulation

Optional Product Features

Aluminum or Stainless Steel Construction

10-14 GA. Material Construction

Custom Heights (H)

Pitched Roof Styles

Burglar Bars

Damper Shelf

Custom Pipe Portal Caps

Solid or perforated Interior Wall

Supplying premium mechanical products since 1970.

3 Sided Curb – Canted

      Please be advised that the purpose of this submittal is to exhibit the overall dimensions of this product. Pictures and drawings do not give entire detail of product and are not portrayed to scale. Tole Manufacturing reserves the right to alter this submittal without notification.

      Special Features

      18 GA. Welded Galvanized Steel Construction

      8” & 12” Standard Height (H)

      2” X 2” Wood Nailer

      Welded Corner Seams

      3.5” X 3 LB Density Rigid Insulation

      Optional Product Features

      Aluminum or Stainless Steel Construction

      10-14 GA. Material Construction

      Custom Heights (H)

      Pitched Roof Styles

      Burglar Bars

      Damper Shelf

      Custom Pipe Portal Caps

      Solid or perforated Interior Wall